产品:基于惯性测量单元(IMU)的纯惯性导航系统(INS)。
主要特点:
MEMS陀螺仪依赖于科里奥利力敏感的角速度,其控制系统分为驱动模式控制回路和检测模式控制回路。只有保证实时跟踪驱动模式的振动幅值和谐振频率,检测通道才能解调出精确的输入角速度信息。本文将从多个方面分析MEMS陀螺仪的驱动模式控制回路。
MEMS陀螺仪驱动模式的振动位移通过梳状电容检测结构转换为电容变化,然后电容变化通过环形二极管电路转换为表征陀螺仪驱动位移的电压信号。之后,该信号分别进入两个分支:一个分支通过自动增益控制(AGC)模块实现幅值控制,另一个分支通过锁相环(PLL)模块实现相位控制。在AGC模块中,驱动位移信号的幅值首先经过乘法和低通滤波进行解调,然后通过PI链路将幅值控制在设定的参考值,并输出驱动幅值的控制信号。PLL模块中用于乘法解调的参考信号与AGC模块中用于解调的参考信号正交。信号经过PLL模块后,即可跟踪陀螺仪的驱动谐振频率。该模块的输出即为驱动相位的控制信号。两个控制信号相乘产生陀螺仪驱动电压,该电压施加到驱动梳上并转换为静电驱动力,从而驱动陀螺仪工作,形成陀螺仪驱动模式的闭环控制回路。图1所示为MEMS陀螺仪的驱动模式控制回路。

图1. MEMS陀螺仪驱动模式控制结构框图
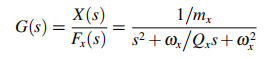
根据振动型MEMS陀螺仪驱动模式的动力学方程,通过拉普拉斯变换可以得到连续域传递函数:

其中,mx 是陀螺仪驱动模式的等效质量,ωx=√kx/mx 是驱动模式的谐振频率,Qx = mxωx/cx 是驱动模式的品质因数。
根据梳齿检测电容的分析,忽略边缘效应时,位移-电容转换环节是线性的,差分电容增益随位移的变化可表示为:

其中,nx 是由陀螺模式驱动的主动梳的数量,ε0 是真空介电常数,hx 是驱动检测梳的厚度,lx 是驱动检测主动梳和静止固定梳的重叠长度,dx 是齿之间的距离。
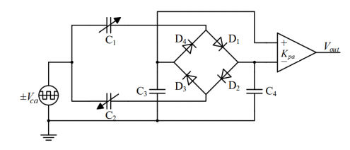
本文所用的电容电压转换电路是环形二极管电路,其原理图如图2所示。

图2 环形二极管电路原理图
图中,C1 和 C2 为陀螺仪差分检测电容,C3 和 C4 为解调电容,Vca 为方波幅值。其工作原理如下:当方波处于正半周时,二极管 D2 和 D4 导通,电容 C1 对 C4 充电,C2 对 C3 充电;当方波处于正半周时,二极管 D1 和 D3 导通,电容 C1 对 C3 放电,C2 对 C4 放电。如此循环,经过几个方波周期后,解调电容 C3 和 C4 上的电压将趋于稳定。其电压表达式为:

本文研究的硅微机械陀螺仪的静态电容约为几个pF,电容变化小于0.5pF,而电路中使用的解调电容约为100pF,因此存在CC0》∆C和C2》∆C2,电容电压转换增益可通过简化公式获得:

其中,Kpa 是差分放大器的放大系数,C0 是解调电容,C 是检测电容的静态电容,Vca 是载波幅度,VD 是二极管的导通压降。
相位控制是MEMS陀螺仪驱动控制的重要组成部分。锁相环技术能够跟踪输入信号在其捕获频带内的频率变化并锁定相位偏移。因此,本文采用锁相环技术实现陀螺仪的相位控制,其基本结构框图如图3所示。

图3 锁相环基本结构的框图
锁相环(PLL)是一种负反馈相位自动调节系统,其工作原理可概括如下:外部输入信号ui(t)和压控振荡器(VCO)输出的反馈信号uo(t)同时输入到相位鉴别器,完成两信号的相位比较,相位鉴别器的输出端输出反映两信号相位差θe(t)的误差电压信号ud(t);该信号经过环路滤波器滤除高频分量和噪声,得到电压控制振荡器uc(t),电压控制振荡器根据该控制电压调节输出信号的频率,使其逐渐接近输入信号的频率,最终输出信号uo(t);当ui(t)的频率等于uo(t)或达到稳定值时,环路达到锁定状态。
自动增益控制(AGC)是一种具有幅值控制的闭环负反馈系统,它与锁相环相结合,可为陀螺仪驱动模式提供幅值和相位稳定的振动。其结构图如图4所示。

图 4. 自动增益控制结构框图
自动增益控制的工作原理可概括如下:将包含陀螺仪驱动位移信息的信号ui(t)输入到幅度检测环节,通过乘法解调提取驱动位移幅度信号,然后通过低通滤波器滤除高频分量和噪声;此时,得到表征驱动位移的相对纯净的直流电压信号,然后通过PI环节将信号控制信号控制在给定的参考值,并输出控制驱动幅度的电信号ua(t),从而完成幅度控制。
本文介绍了MEMS陀螺仪的驱动模式控制回路,包括模型、失锁电容转换、电容电压转换、锁相环和自动增益控制。作为MEMS陀螺仪传感器的制造商,杭州麦新敏微科技股份有限公司(Micro-Magic Inc.)对MEMS陀螺仪进行了深入研究,并经常普及和分享MEMS陀螺仪的相关知识。如需更深入地了解MEMS陀螺仪,您可以参考MG-501和MG1001的参数。
如果您对MEMS的更多知识和产品感兴趣,请联系我们。