产品系列及参数
| 参数 | AC-1A | AC-1B | AC-1C | 单元 |
| 范围 | ±50(10Ω) | g | ||
| 阈值/分辨率 | 1 | 2 | 3 | μg |
| 偏置 K0/K1 | ≤ ±1 | ≤ ±3 | ≤ ±5 | mg |
| 比例因子 K1 | 1.05 ~ 1.30 | 毫安/克 | ||
| II类非线性系数K2/K1 | ≤ ±10 | ≤ ±15 | ≤ ±20 | μg/g2 |
| 0克 4小时 短期稳定性 | ≤10 | ≤10 | ≤15 | μg |
| 1克,4小时,短期稳定性 | ≤10 | ≤10 | ≤15 | 每百万 |
| 偏差漂移 Sigma K0 (1σ,一个月) | ≤10 | ≤20 | ≤30 | μg |
| 尺度因子 Sigma 的重复性 σK1/K1(1σ,一个月) |
≤15 | ≤30 | ≤50 | 每百万 |
| 第二类非线性 系数重复性 σK2/K1(1σ,一个月) |
≤ ±10 | ≤ ±20 | ≤ ±30 | μg/g2 |
| 偏置热系数 | ≤ ±10 | ≤ ±30 | ≤ ±50 | μg/℃ |
| 尺度因子热系数 | ≤ ±10 | ≤ ±30 | ≤ ±50 | ppm/℃ |
| 噪声(样品电阻 840Ω) | ≤5 | ≤8.4 | ≤8.4 | mv |
| 自然频率 | ≤75 | Hz | ||
| 带宽 | Ф25.4X26 | Hz | ||
| 振动 | ≤76 | Hz | ||
| 震惊 | Ф25.4X27 | 8毫秒,1/2秒 | ||
| 温度范围(工作温度范围) | ≤77 | ℃ | ||
| 温度范围(已保存) | Ф25.4X28 | ℃ | ||
| 力量 | ≤78 | V | ||
| 消耗电流 | Ф25.4X29 | mA | ||
| 温度传感器 | ≤79 | 选修的 | ||
| 尺寸 | Ф25.4X30 | mm | ||
| 重量 | ≤80 | g | ||
生产过程
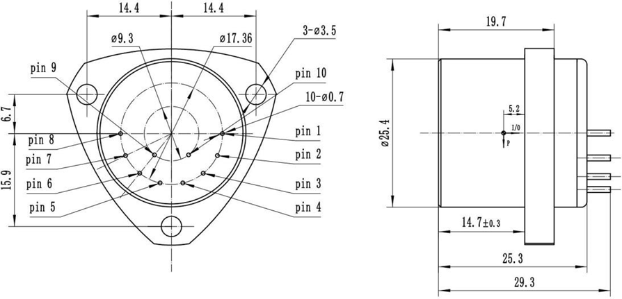
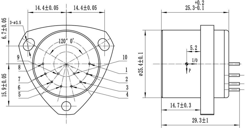
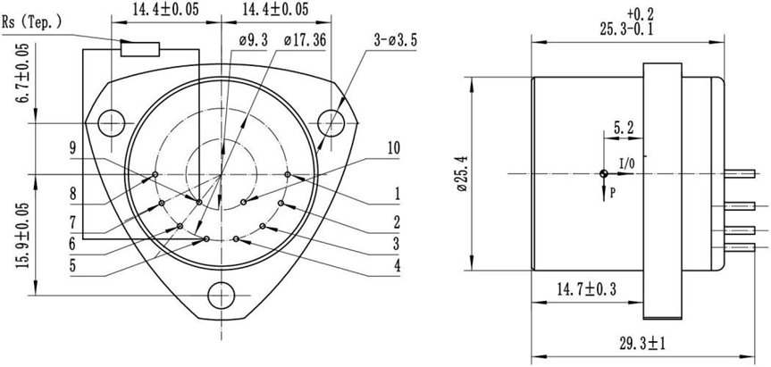
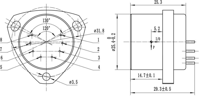
产品尺寸


标记:默认温度传感器:PT1000(可选AD590);10号点为高功率端,9号点为低功率端。9号点与电源地之间使用一个铂电阻,阻值为1KΩ,热膨胀系数小于5ppm。

安装孔为U型

安装孔为U型,8 别针

轮廓是正方形的
应用场景



常问问题