ACM-100 三轴加速度计 是一种广泛使用的 加速度传感器 该系列产品由Micro-Magic Inc.高科技公司采用瑞士专利技术生产,可应用于振动测试、冲击测试等领域。产品采用数字接口输出,可选配RS232、RS485、TTL、Modbus和RS422协议。用户可设置不同的地址码,并可将多个传感器串联,实现远距离多点测量和数据分析。ACM-100是一款单晶硅电容式传感器,由经过微机械加工的硅芯片、用于信号调节的低功耗ASIC芯片、用于存储补偿值的微处理器以及温度传感器组成。
零件编号 :
ACM-100订单(最小起订量) :
1测量轴 :
Tri-axis (X, Y, Z) optional全范围精度 :
0.01g高分辨率 :
0.001g测量范围 :
±1g/±2g/±4g/±8g/±16g/±32g/±40g输出模式 :
RS232/RS485/TTL/RS422/Modbus optional宽工作温度 :
-55~+100℃电压输入 :
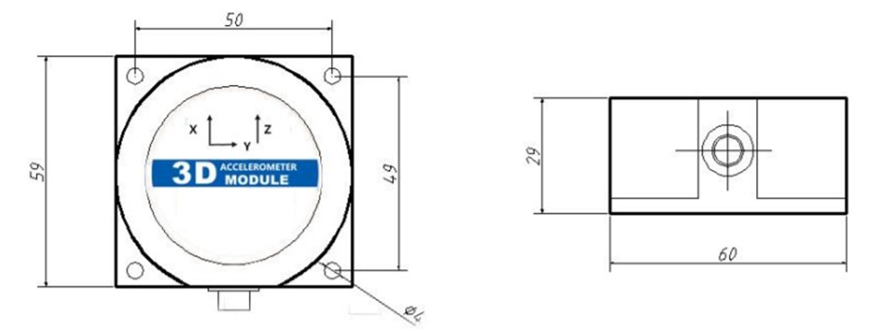
DC 9~36V (DC 5V can be customized)尺寸 :
(60*59*29mm) (can be customized)保护级别 :
IP67 (IP68 customized)1. 产品规格
|
范围 |
状况 |
ACM-I00-2 |
ACM-I00-8 |
ACM-I00-40 |
单元 |
|
测量范围 |
|
±2 |
±8 |
±40 |
g |
|
BIAS校准 |
|
<2 |
<5 |
<10 |
mg |
|
测量轴 |
axis |
X、Y、Z |
X、Y、Z |
X、Y、Z |
|
|
Zero 偏差稳定性(年度) |
|
1.5(<5) |
7.5(<25) |
22(<75) |
mg |
|
R分辨率阈值 |
@Hz |
<1 |
<5 |
<15 |
mg |
|
偏置温度系数 |
-55~100° |
0.1 |
0.5 |
1.5 |
毫克/℃ |
|
B和宽度 |
|
0~≥400 |
0~≥400 |
0~≥400 |
Hz |
|
共振频率 |
|
1.6 |
6.7 |
6.7 |
KHz |
|
输出率 |
可设置5Hz、15Hz、35Hz、50Hz (RS485不具备此功能) |
||||
|
输出信号 |
RS232/RS485/RS422/TTLp国家 |
||||
|
R可靠性 |
MIL-HDBK-217,2 级 |
||||
|
抗冲击性 |
20000克,2毫秒,1/2正弦波 |
||||
|
防震 |
10克、10~1000赫兹 |
||||
|
防水等级 |
IP67 |
||||
|
电缆 |
标准 1.5m长、耐磨、耐油、宽温、屏蔽电缆 5*0.2mm² |
||||
|
重量 |
180克(不含包装盒) |
||||
|
C连接者 |
6针航空插头 |
||||
|
电容负载 |
1000 |
||||
2. 电气指示器
|
范围 |
健康)状况 |
最小值 |
典型值 |
最大值 |
单元 |
|
供应 电压 |
|
9 |
12 |
36 |
V |
|
可定制 |
|
5 |
|
||
|
工作电流 |
无负载 |
|
30 |
|
mA |
|
工作温度 |
|
-40 |
|
+85 |
℃ |
|
储存温度 |
|
-55 |
|
+125 |
℃ |
3. 机械性能
|
连接器 |
引线(1.5米)或防水航空插座(可定制) |
|
保护级别 |
IP67 |
|
材料 |
铝合金磨砂氧化 |
|
安装 |
4颗M4螺丝 |
4. 产品尺寸

产品尺寸尺寸:长60*宽59*高29毫米