AC-5 quartz flexible accelerometer series is a middle grade precision accelerometer with unique structural size (short) design. The product has excellent long-term stability, repeatability, dynamic response performance, good vibration and impact resistance and high reliability. It can be used for static and dynamic testing, and is also a standard vibration sensor and inclination sensor. The product adopts a unique structural design and special circuit, the product output current and the force or acceleration is linear relationship, users can choose the appropriate sampling resistance through calculation, to achieve high precision output. And according to user needs built-in temperature sensor, used to offset value and scale factor compensation, reduce the impact of environmental temperature.
Part No, :
AC-5Order(MOQ) :
1Product Series and Parameters
| Parameters | AC-5A | AC-5B | AC-5C | Unit |
| Range | ±50 | g | ||
| Threshold /Resolution | <5 | <5 | <5 | μg |
| Bias K0/K1 | <5 | <7 | <10 | mg |
| Scale factor K1 | 1.1 ~ 1.3 | mA/g | ||
| Class II nonlinearity coefficient K2/K1 | ≤ ±20 | ≤ ±20 | ≤ ±20 | μg/g2 |
| Bias drift Sigma K0 (1σ, one month) |
≤30 | ≤50 | ≤80 | μg |
| Repeatability of scale factor Sigma σK1/K1 (1σ, one month) |
≤50 | ≤80 | ≤100 | ppm |
| Class II nonlinearity Coefficient repeatability σK2/K1 (1σ, one month) |
≤ ±20 | ≤ ±20 | ≤ ±20 | μg/g2 |
| Bias thermal coefficient | < ±20 | < ±30 | < ±40 | μg/℃ |
| Scale factor thermal coefficient | <40 | <50 | <80 | ppm/℃ |
| Noise (sample resistance 840Ω) | ≤5 | ≤5 | ≤5 | mv |
| Bandwidth | >300 | Hz | ||
| Vibration rectification (@50~500Hz) | <30 | µg/g2rms | ||
| Vibration (@20~2000Hz) | 20 | g | ||
| Shock | 250g | 4.5ms, 1/2s in | ||
| Install error | <1500 | µrad | ||
| Temperature range (Operating) | -55~+96 | ℃ | ||
| Power | ±13~±18 | V | ||
| Consume current | <20 | mA | ||
| Temp sensor | Optional | |||
| Size | Ф25X25 | Ф25.3X23 | Ф25X24 | mm |
| Weight | ≤55 | g | ||
Production process
Product dimension

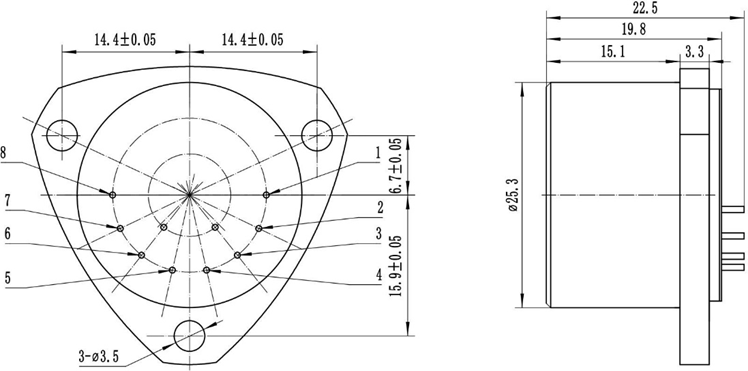
AC-5A outline drawing

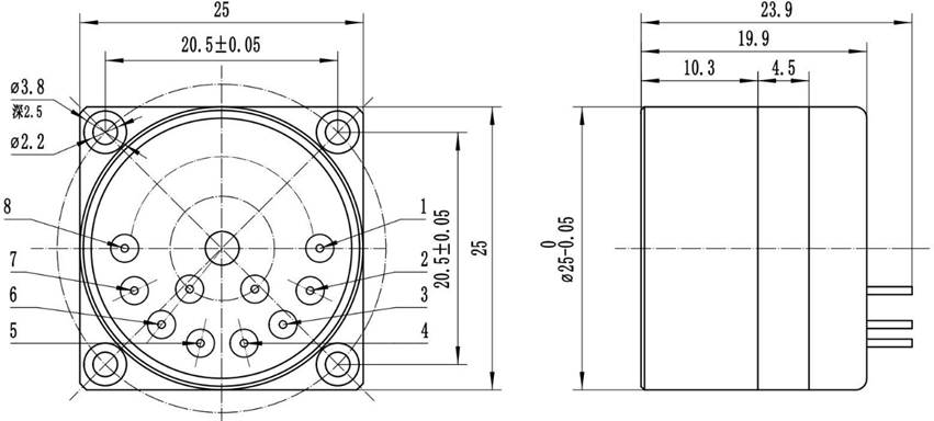
AC-5B outline drawing

AC-5C outline drawing
The pin name :1, signal output; 2, N; 3. -15V; 4. +15V; 5, power supply and signal ground; 6, N; 7, N; 8, N; 9, -9V output; 10. +9V output
Application Scenarios



FAQ
Xml Privacy Policy Blog Sitemap
copyright @ Micro-Magic Inc All Rights Reserved.
Network Supported