T7-A系列是Micro-Magic公司推出的新一代数字小批量打印机。 倾斜传感器 由MXMW高科技公司推出。该产品内置双通道地球重力倾角测量单元,可测量动态重力加速度并将其转换为倾角变化。这使得传感器能够测量相对于水平面的横滚角和俯仰角。其输出模式可选RS232、RS485、RS422、Modbus和TTL电平接口。由于内置MCU控制系统,传感器输出的线性度经过两次校正,弥补了模拟式传感器因校正不足而导致的精度下降。
零件编号 :
T7-A订单(最小起订量) :
1测量轴 :
Dual-axis tilt monitoring (single-axis optional)高分辨率 :
0.05°电压输入 :
DC+5V(DC 9~36V can be customized)宽工作温度 :
-40~+85℃保护级别 :
IP67 (IP68 can be customized)准确性 :
0.3°产品系列及参数
| 范围 | 状况 | T7-A-10 | T7-A-30 | T7-A-60 | T7-A-90 | 单元 |
| 测量范围 | ±10 | ±30 | ±60 | ±90 | ° | |
| 测量轴 | X,Y | X,Y | X,Y | X,Y | ||
| 零温漂移 | -40~85° | ±0.05 | ±0.05 | ±0.05 | ±0.05 | °/℃ |
| 灵敏度温度系数 | -40~85° | ≤200 | ≤200 | ≤200 | ≤200 | ppm/℃ |
| 频率响应 | 直流响应 | 100 | 100 | 100 | 100 | Hz |
| 解决 | 带宽 5Hz | 0.05 | 0.05 | 0.05 | 0.05 | ° |
| 准确性 | -40~85℃ | 0.3 | ° | |||
| 长期稳定性 | -40~85℃ | <0.32 | ° | |||
| 开机启动时间 | 0.2 | s | ||||
| 响应时间 | 0.01 | s | ||||
| 输出率 | 5Hz(可设置15Hz、35Hz、50Hz、100Hz) (RS485不具备此功能) | |||||
| 输出信号 | RS232/RS485/RS422/TTL/PWM/CAN/(MODBUS可选) | |||||
| 平均工作时间 | ≥55000 小时/时间 | |||||
| 抗冲击性 | 2500g,0.5ms,每轴3次 | |||||
| 防震 | 10克、10~1000赫兹 | |||||
| 绝缘电阻 | ≥100MΩ | |||||
| 防水等级 | IP67 | |||||
| 电缆 | 标准1.5米长,耐磨,耐油,宽温屏蔽电缆,4*0.2mm² | |||||
| 重量 | 7克(不含包装盒) | |||||
生产过程
更多类似产品

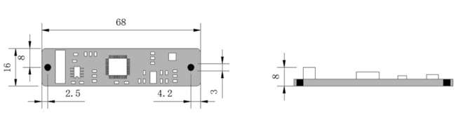
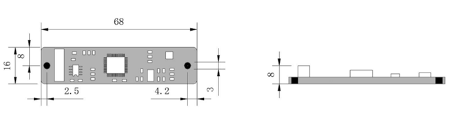
产品尺寸

应用场景



常问问题