T70-J 是国产双轴四向双向 倾斜角度开关 Micro-Magic公司生产的元件倾斜角度测量模块采用RTU Modbus协议,其内部核心组件包括MCU处理器、MEMS倾斜单元、电源电路、输出电路以及其他国产元件。该模块旨在制造国产设备,克服自主研发技术的障碍。
零件编号 :
T70-J订单(最小起订量) :
1产品系列及参数
| 范围 | 状况 | T70-J | 单元 |
| 测量范围 | ±90 | ° | |
| 测量轴 | X轴、Y轴 | ||
| 阿拉姆轴 | X轴、Y轴 | ||
| 频率响应 | 直流响应 | 100 | Hz |
| 准确性 | -40~85℃ | 0.2 | ° |
| 长期稳定性 | -40~85℃ | <0.3 | ° |
| 开机启动时间 | 0.5 | s | |
| 输出信号 | 开关(电压)输出,RS232 和 TTL 可选,RS485 可定制 | ||
| 继电器(常开和常闭)输出,RS232 和 TTL 可选,RS485 可定制 | |||
| 平均工作时间 | ≥35000 小时/时间 | ||
| 抗冲击性 | 2450克,0.5毫秒,每轴3次 | ||
| 防震 | 10克、10~1000赫兹 | ||
| 绝缘电阻 | ≥100MΩ | ||
| 防水等级 | IP67 | ||
| 电缆 | 标准1.5米长,耐磨,耐油,宽温范围,屏蔽电缆 8*0.3mm² | ||
| 重量 | 110克(不含包装盒) | ||
生产过程

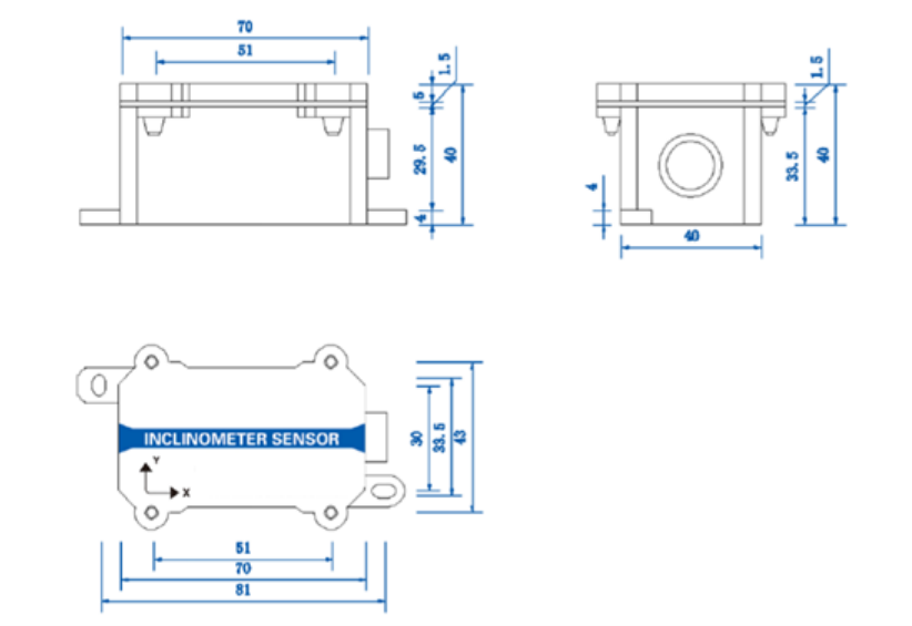
产品尺寸

产品尺寸:长70*宽40*高40毫米
应用场景



常问问题