C90-B is a high-precision all attitude 3D electronic compass using advanced hard and soft iron calibration algorithms to provide high-precision heading information within a range of 360 ° roll and+/-90 ° full tilt angle. It has the characteristics of small size and low power consumption, making it more suitable for power volume sensitive measurement systems. This product comes with hard magnetic, soft magnetic, and tilt compensation, and the compass outputs high-precision measurement values after calibration. The three-axis fluxgate integrated with patented technology calculates the heading in real-time through the central processor, and uses a three-axis accelerometer to compensate for the tilt angle, enabling it to provide accurate heading data even in extremely harsh environments.
Part No, :
C90-BOrder(MOQ) :
1Output mode :
RS232/RS485/TTL/RS422 optionalWidely operating temperature :
-55~+85℃Size :
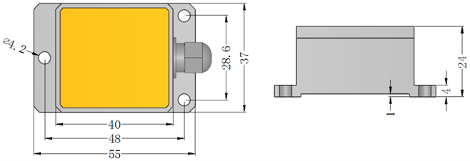
(55*37*24mm) (can be customized)Voltage input :
DC +5V (DC +9~36V can be customized)Protection level :
IP67 (IP68 customized)1. Product specification
|
Parameter |
|
C90-B |
|
Compass heading parameters |
Heading accuracy |
0.3~0.5° (RMS, pitch<85°) |
|
Resolution |
0.1° |
|
|
Repeatability |
0.05° |
|
|
Compass inclination parameters |
Pitch accuracy |
0.1° |
|
Roll accuracy |
0.1° (pitch<65°) 0.2° (pitch<80°) 0.5° (pitch<86°) |
|
|
Inclination angle resolution |
0.01° |
|
|
Inclination range |
Pitch: ±90°; Roll: 360° |
|
|
Calibration |
Hard iron calibration |
Yes |
|
Soft iron calibration |
Yes |
|
|
Tilt calibration |
Yes |
|
|
Physical properties |
Size |
L55*W37*H24 (mm) |
|
Weight |
75g |
|
|
CAN interface connector |
direct outgoing line |
|
|
Interface features |
Startup delay |
<50ms |
|
Maximum sampling rate |
50 times/second |
|
|
Communication rate |
100~500Kbps baud rate |
|
|
CAN communication |
optional |
|
|
CANOpen communication |
optional |
|
|
Output format |
hexadecimal |
|
|
Power supply |
Support voltage |
DC+5V(9~36V) |
|
Current (max) |
40mA |
|
|
Working mode |
30mA |
|
|
Environment |
Storage range |
-40℃--+125℃ |
|
Working temperature |
-40℃--+85℃ |
|
|
Vibration resistance |
2600g |
2. Product dimension

Xml Privacy Policy Blog Sitemap
copyright @ Micro-Magic Inc All Rights Reserved.
Network Supported