作为一种新型的全固态陀螺仪, 光纤陀螺仪 G-F70ZKH单轴中高精度光纤陀螺仪具有启动速度快、测量范围广、可靠性高等优点,可应用于高精度惯性导航系统,例如陆地定位定向、车载寻北、机载导航姿态控制和船舶陀螺仪等。 本规范仅适用于G-F70ZKH型产品,内容包括性能指标、技术条件、外形尺寸以及安装和使用方法。其中,技术条件包括产品的环境适用范围、电气性能和物理特性。
零件编号 :
G-F70ZKH订单(最小起订量) :
1连接器 :
RS422保护级别 :
IP67产品系列及参数
| 零偏稳定性 | ≤0.05 °/小时 (1σ,10秒) | 连续测试2小时,10秒内获得平滑结果 |
| 稳定时间 | <100秒 | |
| 零偏差重复性 | ≤0.05 °/小时 (1σ) | 6 测试数据计算结果 |
| 随机游走系数 | ≤0.005°/ | |
| 非线性尺度因子 | ≤20 ppm (1σ) | 正常大气温度 |
| 重复性的尺度因子 | ≤20 ppm (1σ) | 正常大气温度 |
| 全温标度因子重复性 | ≤300 ppm (1σ) | -40℃~+60℃ |
| 动态范围 | ±500°/秒 | |
| 磁场敏感性 | ≤0.05 °/hr/Gs | |
| 工作温度 | -40℃~+70℃ | |
| 储存温度 | -50℃~+70℃ | |
| 振动条件 | 4.2克,20赫兹~2000赫兹 | 扫频振动没有共振 |
生产过程
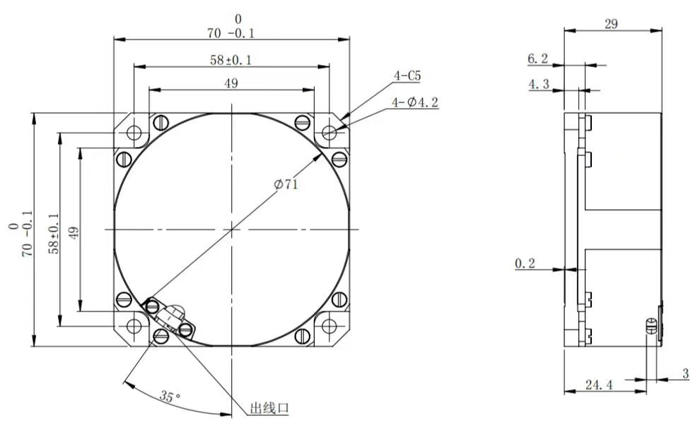
产品尺寸

图 2 G-F70ZKH 的轮廓尺寸
应用场景



常问问题