作为一种新型的全固态陀螺仪, 光纤陀螺仪 G-F70ZK单轴中高精度光纤陀螺仪具有启动速度快、测量范围广、可靠性高等优点,可应用于高精度惯性导航系统,例如陆地定位定向、车载寻北、机载导航姿态控制和船舶陀螺仪等。 本规范仅适用于G-F70ZK型产品,内容包括性能指标、技术条件、外形尺寸以及安装和使用方法。其中,技术条件包括产品的环境适用范围、电气性能和物理特性。
零件编号 :
G-F70ZK订单(最小起订量) :
1连接器 :
RS422保护级别 :
IP67产品系列及参数
| G-F70ZK-A | G-F70ZK-B | ||
| 零偏差稳定性 °/小时 (1σ,10s) | ≤0.05 | ≤0.03 | 连续测试2小时,10秒内获得平滑结果 |
零偏差重复性 °/小时 (1σ) | ≤0.02 | ≤0.02 | 6 测试数据计算结果 |
| 随机游走系数°/ | ≤0.005 | ≤0.003 | |
| 非线性比例因子 ppm (1σ) | ≤10 | ≤10 | 正常大气温度 |
| 重复性比例因子 ppm (1σ) | ≤20 | ≤10 | 正常大气温度 |
| 全温标度因子重复性 ppm (1σ) | ≤300 | ≤200 | -40℃~+60℃ |
| 动态范围 °/秒 | ±500 | ||
| 磁场灵敏度 °/hr/Gs | ≤0.02 | ||
| 工作温度℃ | -40~+70 | ||
| 储存温度℃ | -50~+70 | ||
| 振动条件 Hz | 4.2克,20~2000 | 扫频振动没有共振 | |
生产过程
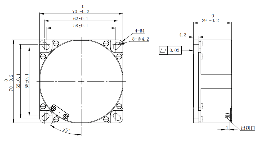
产品尺寸

图 2 G-F70ZK 的轮廓尺寸
应用场景



常问问题