T700-C 数字三轴倾斜传感器单板,精度 0.02°,分辨率 0.005°,支持 RS232/RS485/RS422/TTL/Modbus/CAN 输出
T700-C 是一款数字输出(X、Y、Z) 三轴倾斜传感器 内置高精度16位A/D转换器,并通过n阶滤波算法,最终输出X、Y、Z轴倾斜值。输出接口可选RS232、RS485、RS422、TTL、Modbus和Canopen。产品可根据内置温度传感器监测到的温度变化校正传感器温度漂移,确保产品在高低温环境下的重复性。输出频率为100Hz。
零件编号 :
T700-C订单(最小起订量) :
1产品系列及参数
| 范围 | 状况 | T700-C-10 | T700-C-30 | T700-C-60 | T700-C-90 | 单元 |
| 测量范围 | ±10 | ±30 | ±60 | ±90 | ° | |
| 测量轴 | X、Y、Z | X、Y、Z | X、Y、Z | X、Y、Z | ||
| 零温漂移 | -40~85° | ±0.005 | ±0.005 | ±0.005 | ±0.005 | °/℃ |
| 灵敏度温度系数 | -40~85° | ≤100 | ≤100 | ≤100 | ≤100 | ppm/℃ |
| 频率响应 | 直流响应 | 100 | 100 | 100 | 100 | Hz |
| 解决 | 0.005 | 0.005 | 0.005 | 0.005 | ° | |
| 准确性 | 0.02 | 0.03 | 0.04 | 0.05 | ° | |
| 长期稳定性 | <0.023 | <0.035 | <0.045 | <0.054 | ° | |
| 开机启动时间 | 0.2 | s | ||||
| 响应时间 | 0.01 | s | ||||
| 输出率 | 5Hz(可设置15Hz、35Hz、50Hz、100Hz) (RS485不具备此功能) | |||||
| 输出信号 | RS232/RS485/RS422/TTL/PWM/CAN/(MODBUS可选) | |||||
| 平均工作时间 | ≥45000 小时/时间 | |||||
| 抗冲击性 | 20000g,0.5ms,每轴3次 | |||||
| 防震 | 10克、10~1000赫兹 | |||||
| 绝缘电阻 | ≥100MΩ | |||||
| 防水等级 | IP66 | |||||
| 电缆 | 标准10厘米长,耐磨,耐油,宽温范围,屏蔽电缆 4*0.3mm² | |||||
| 重量 | 10克(不含包装盒) | |||||
生产过程
更多类似产品

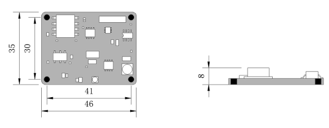
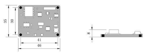
产品尺寸

产品尺寸:长46*宽35*高8毫米
默认安装方式为水平向上:安装时,请保持传感器安装面与被测目标面平行;安装方法请参考旋转图。如需其他安装方式,请参考“产品安装方法”示意图并在订购时备注。
应用场景



常问问题