U16495 High Precision MEMS IMU Module, 9-Axis (Gyro/Accel/Mag), SPI, ADIS16495 Compatible
U16495 MEMS is a small and high-precision 9-axis inertial measurement unit. Suitable for precise navigation, control, and dynamic measurement of carriers. The U16495 series inertial measurement module integrates MEMS gyroscopes, MEMS accelerometers, and MEMS magnetometers within its structure. The gyroscope, accelerometer, and MEMS magnetometer selected by the system represent the leading level of MEMS process inertial devices, with high reliability and strong robustness. They can accurately measure the angular velocity, acceleration information, and magnetic information of moving carriers in harsh environments.
Part No, :
U16495Order(MOQ) :
1Product Series and Parameters
| Parameter | Testing Conditions | Min | Typ | Max | Unit | |
| Gyroscope | Range | ±350 | ±500 | °/s | ||
| Full-temperature zero bias | 1sigma | ±20 | 60 | °/h | ||
| Zero bias stability | 10s | 3 | 5 | °/h | ||
| Zero bias instability | Allan | 0.3 | 0.5 | °/h | ||
| Zero-bias repeatability | 1 | 5 | °/h | |||
| Angle random walk | 0.1 | 0.2 | °/√h | |||
| Scale factor nonlinearity | ±100 | ppm | ||||
| Cross-coupling | ±0.001 | rad | ||||
| Bandwidth | 200 | Hz | ||||
| Accelerometer | Range | ±20 | g | |||
| Full-temperature zero bias | 1sigma | ±1 | ±3 | mg | ||
| Zero bias stability | 10s | 0.05 | 0.1 | mg | ||
| Zero bias instability | Allan | 0.01 | 0.03 | mg | ||
| Zero-bias repeatability | 0.05 | 0.1 | mg | |||
| Velocity random walk | 0.03 | m/s/√h | ||||
| Scale factor nonlinearity | ±1g | ±200 | ±200 | ppm | ||
| Cross-coupling | ±0.001 | rad | ||||
| Bandwidth | 200 | Hz | ||||
| Magnetometer | Range | ±8 | Gs | |||
| Resolution | 200 | μGs | ||||
| Noise density | 50 | μGs | ||||
| Bandwidth | 200 | Hz | ||||
| Communication Interface | SPI | 25 | MHz | |||
| UART | 9.6 | 460.8 | 921.6 | kbps | ||
| Electrical Characteristics | Working Voltage | 3 | 3.3 | 3.6 | V | |
| Power Consumption | 0.5 | W | ||||
| Ripple | peak-to-peak | 100 | mV | |||
| Startup time | 2 | s | ||||
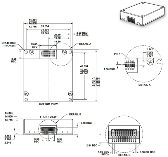
| Structural Characteristics | Size | 47.0 × 44.0 ×14.0 | mm | |||
| Weight | 50 | g | ||||
| Operating Environment | Operating Temperature | -40 | 80 | ℃ | ||
| Storage Temperature | -55 | 85 | ℃ | |||
| vibration | 10-2000Hz, 6.06g | |||||
| Shock | 30g, 11ms | |||||
| Overload | Half sine wave | 1000g | ||||
| Reliability | MTBF | 20000 | h | |||
| Continuous working hours | 120 | h | ||||
| Note: Typical values represent the 1 σ statistical values of multiple sets of product testing indicators. | ||||||
Production process
Product dimension

Application Scenarios
From −40 °C to +80 °C, U16495’s full-temperature calibration compensation (with a built-in temperature sensor) allows single-axis rotational excitation to precisely measure and calibrate that axis’s gyroscope full-temperature zero bias/temperature drift and scale-factor nonlinearity.



FAQ
Xml Privacy Policy Blog Sitemap
copyright @ Micro-Magic Inc All Rights Reserved.
Network Supported