光纤陀螺仪作为一种新型全固态陀螺仪,它具有启动速度快、测量范围广、可靠性高等优点。其中,U-F3X100光纤陀螺仪惯性测量单元(IMU)专为中低精度应用场景而设计,采用三轴共享技术,成本低、性能稳定;结构上,它采用光路与电路一体化封装,结构简单,安装方便。可应用于小型导弹和制导炸弹的导航制导、姿态测量与控制系统。
零件编号 :
U-F3X100订单(最小起订量) :
1产品系列及参数
| U-F3X100-H | U-F3X100-M | 单元 | |
| 光纤陀螺仪 | |||
| 零偏压稳定性(室温下) | ≤0.05 | ≤0.10 | 摄氏度/小时 |
| 零偏差重复性(在一定温度下,逐步重复,逐日重复) | ≤0.05 | ≤0.10 | 摄氏度/小时 |
| s | ≤20 | ≤20 | 每百万 |
| 不对称尺度因子(在一定温度下) | ≤20 | ≤20 | 每百万 |
| 非线性尺度因子(在一定温度下) | ≤30 | ≤30 | ppm) |
| 临界点 | ≤0.10 | 摄氏度/小时 | |
| 角速度的动态范围 | ±500 | 度/秒 | |
| 带宽 | ≥200 | Hz | |
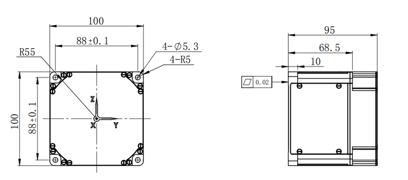
| 方面 | 100**100*95 | mm | |
| 重量(含加速度计) | 1100±50 | g | |
| 工作温度 | -40~+65 | ℃ | |
| 规格 | 单元 | |
| 石英加速度计 | ||
| 范围 | ≥±30 | g |
| 尺度因子温度系数 | ≤60 | ppm/℃ |
| 规模因子月度稳定性 | ≤60 | 每百万 |
| 偏差值 | ≤±7 | mg |
| 偏置温度系数 | ≤60 | μg/℃ |
| 部分月度稳定性 | ≤60 | μg |
| 二阶非线性系数 | ≤60 | μg/g2 |
| 安装角度 | ≤200 | " |
| 外貌 | 无划痕、裂缝或锈迹 | |
生产过程
产品尺寸

应用场景



常问问题