Fiber optic gyroscope, as a new type of all solid state gyroscope, has the advantages of fast start-up, wide measurement range, and high reliability. Among them, the U-F3X90 fiber optic gyroscope IMU (inertial measurement unit) is designed for the needs of medium and low precision application backgrounds, using three-axis shared technology, with low cost and stable performance; Structurally, it adopts integrated packaging of light path and circuit, with a simple structure and convenient installation. It can be applied to navigation guidance, attitude measurement and control systems of small missiles and guided bombs.
Part No, :
U-F3X90Order(MOQ) :
11. Product specification
|
|
U-F3X90-H |
U-F3X90-M |
Unit |
|
Zero bias stability (Under room temperature) |
≤0.10 |
≤0.20 |
°/hr |
|
Zero bias repeatability (Under certain temperature, step by step, day by day) |
≤0.10 |
≤0.20 |
°/hr |
|
The Scale factor of Repeatability (Under room temperature) |
≤30 |
≤50 |
ppm |
|
The Scale factor of asymmetry (Under certain temperature) |
≤30 |
≤50 |
Ppm |
|
The Scale factor of Nonlinearity (Under certain temperature) |
≤30 |
≤50 |
ppm |
|
Threshold |
≤0.20 |
°/hr |
|
|
Dynamic range of angular velocity |
±500 |
°/s |
|
|
Bandwidth |
≥200 |
Hz |
|
|
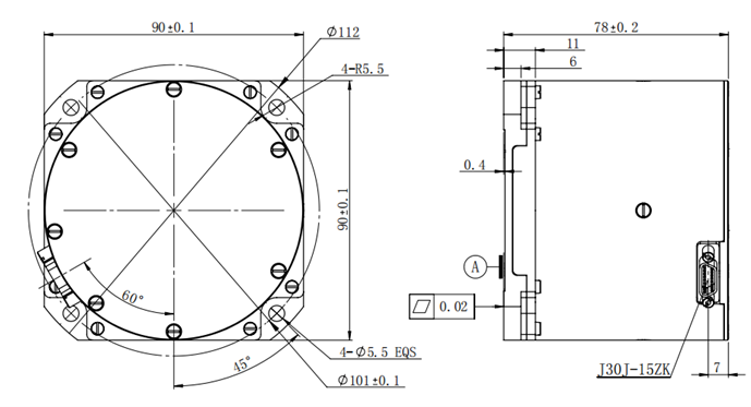
Dimension |
90**90*78 |
mm |
|
|
Weight (including accelerometer) |
850±50 |
g |
|
|
Working temperature |
-40~+65 |
℃ |
|
2. Product dimension

Xml Privacy Policy Blog Sitemap
copyright @ Micro-Magic Inc All Rights Reserved.
Network Supported