As a new type of all-solid state gyro, fiber optic gyroscope has the advantages of fast start, wide measurement range and high reliability. G-F2X64 dual-axial low precision fiber optic gyroscope can be applied to the on-board stability platform, guide head, crane bin and other fields. The specification is only applicable to G-F2X64 type products, including performance indicators, technical conditions, external dimensions and installation and use. Among them, the technical conditions include the environmental range, electrical performance and physical characteristics of the product.
Part No, :
G-F2X64Order(MOQ) :
1Connector :
RS422Protection Level :
IP67Product Series and Parameters
| G-F2X64-A | G-F2X64-B | Unit | |
| Zero bias stability | ≤0.50 | ≤1.0 | °/hr(1σ,10s) |
| Stabilization time | <10 | <10 | s |
| Zero bias repeatability | ≤0.50 | ≤1.0 | °/hr(1σ) |
| Full-temperature zero-bias repeatability | ≤0.50 | ≤1.0 | °/hr |
| The Scale factor of Nonlinearity | ≤30 | ≤50 | ppm (1σ) |
| The Scale factor of Repeatability | ≤50 | ≤100 | ppm (1σ) |
| Dynamic range | ±400 | °/s | |
| Bandwidth | ≥100 | Hz | |
| Working temperature | -40~+65 | ℃ | |
| Storage temperature | -50~+70 | ℃ | |
| Vibration conditions | 4.2g, 20~2000 | Hz | |
Production process
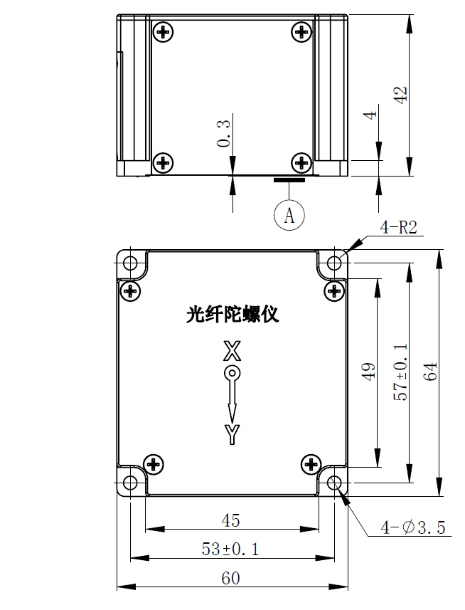
Product dimension

Figure 2 Outline dimensions of G-F2X64
Application Scenarios



FAQ
Xml Privacy Policy Blog Sitemap
copyright @ Micro-Magic Inc All Rights Reserved.
Network Supported