MEMS Integrated Navigation System GNSS INS for UAV Drone Vehicle and Marine Navigation
The I3300 MEMS integrated navigation system is a highly reliable and cost-effective MEMS inertial integrated navigation system, which can be widely used in navigation, control, and measurement fields represented by vehicles, ships, and drones. The product offers different configuration modes, and specifically incorporates a high-precision gyroscope in the Z-axis to ensure the measurement accuracy of heading for extended periods.
零件编号 :
I3300订单(最小起订量) :
1Product Series and Parameters
| Parameter | Technical Indicators |
| Gyroscope | |
| Range(°/s) | ±500 |
| Full-temperature zero bias(°/h,3σ) | ≤360 (X, Y), ≤60 (Z) |
| Zero bias stability(°/h,10s ) | ≤10(XY),≤5(Z) |
| Zero bias instability(°/h,allan,typ) | ≤2(XY),≤0.5(Z) |
| Zero bias repeatability(°/h) | ≤10(XY),≤5(Z) |
| Angle random walk(°/√h) | ≤0.25 |
| Scale factor nonlinearity(ppm) | ≤100 |
| Axis cross-coupling(rad) | ≤0.001 |
| Bandwidth(Hz) | ≥100 |
| Accelerometer | |
| Range(g) | ±16 |
| Full-temperature zero bias(mg,3σ) | ≤5 |
| Zero bias stability(μg,10s) | ≤100 |
| Zero bias instability(μg,allan,typ) | ≤50 |
| Zero bias repeatability(ug) | ≤100 |
| Velocity Random Walk(mm/s/√h) | ≤40 |
| Scale factor nonlinearity(ppm,±1g) | ≤300 |
| Axis cross-coupling(rad) | 0.001 |
| Bandwidth(Hz) | ≥100 |
| Integrated Navigation Accuracy | |
| Combined horizontal position (m, 1σ) | 3m (single point), 0.02+1ppm (RTK) |
| Combined sky position (m, 1σ) | 5m (single point), 0.03+1ppm (RTK) |
| Combined horizontal speed (m/s, 1σ) | 0.1 |
| Combined zenith velocity (m/s, 1σ) | 0.15 |
| Combined heading (°, 1σ, real-time) | 0.15 (1m baseline dual-antenna), 0.5 (single antenna, dynamic) |
| Combined horizontal attitude (°, 1σ, real-time) | 0.05° (dual antenna), 0.1° (single antenna) |
| Pure Inertial Navigation Accuracy | |
| Horizontal attitude (°, 1σ, real-time) | 0.05° (static), 0.5° (dynamic) |
| Heading (°, 1σ, real-time) | 0.5° (dynamic) |
| Depth measurement accuracy (cm) | 5 |
| Inertial/odometer integrated accuracy | ≤0.001D(60s) |
| Electrical/mechanical interface | |
| Power supply (V) | 9~36 |
| Steady-state power (W) | ≤3 |
| Startup time (s) | ≤2 |
| Communication interface | 1 channel RS-422, 1 channel RS-232, 1 channel CAN |
| Update rate (Hz) | 200 (customizable) |
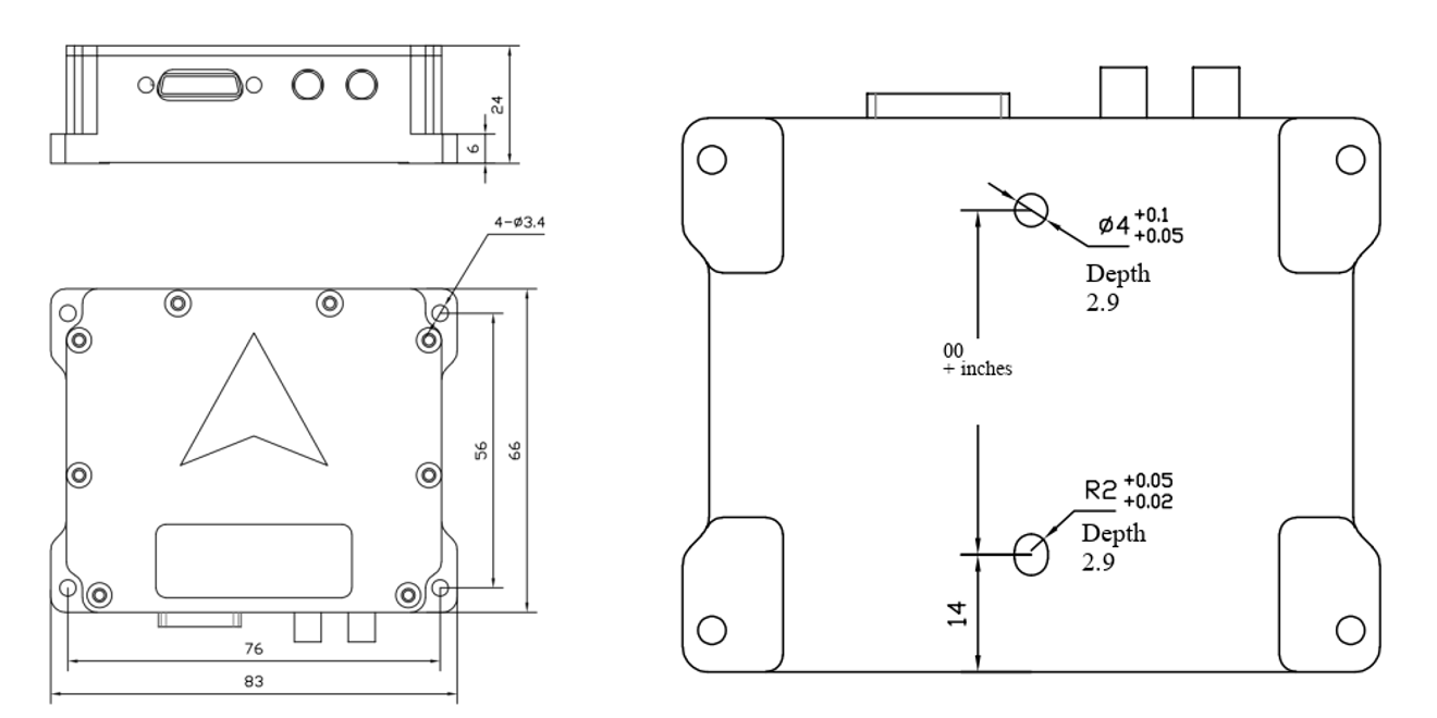
| Size (mm×mm×mm) | 83×66×24 |
| Weight (g) | 160±20 (main body) |
| Operating Environment | |
| Operating temperature(℃) | -40~+80 |
| Storage temperature(℃) | -55~+85 |
| Vibration(g,RMS) | 20~2000HZ,4.08 |
| Shock(g) | 1000g/1ms |
Production process
Product dimension

Application Scenarios



FAQ
Q1. What is the I3300?
The I3300 is a high-performance MEMS integrated inertial navigation system designed for navigation, control, and measurement applications in vehicles, ships, drones, and other platforms. It is highly reliable and cost-effective.
Q2. What are the main features of the I3300?
The I3300 offers high performance, small size, low weight, GNSS full-frequency support, rich interfaces, a high-precision yaw-axis gyroscope, ultra-low power consumption, full-temperature calibration compensation, online software upgrade, lever arm compensation, GNSS-denied self-correction, RTK integration, and zero-velocity/vehicle constraint algorithms.
Q3. What applications is the I3300 suitable for?
The I3300 is suitable for drones, vehicles, ships, boats, surveying and mapping, stable platforms, underwater vehicles, communication on the move, intelligent driving, and missile-borne control.