High-Precision Quartz Accelerometer AC-3 ± 60g Vibration & Tilt Sensor for Aerospace
AC-3 quartz flexible accelerometer series is a high-precision military inertial navigation class accelerometer with excellent long-term stability, repeatability, start-up performance, environmental adaptability and high reliability. It can be used for both static and dynamic testing, and it is also a standard vibration sensor and inclination sensor. The output current of the product has a linear relationship with the force or acceleration received. Users can select the appropriate sampling resistance through calculation to achieve high precision output. And according to user needs built-in temperature sensor, used to offset value and scale factor compensation, reduce the impact of environmental temperature.
Part No, :
AC-3Order(MOQ) :
1Product Series and Parameters
| Parameters | AC-3A | AC-3B | AC-3C | Unit |
| Range | ±60 | g | ||
| Threshold /Resolution | 5 | 5 | 5 | μg |
| Bias K0/K1 | ≤ ±5 | ≤ ±5 | ≤ ±5 | mg |
| Scale factor K1 | 1.0 ±0.2 | 1.0 ±0.2 | 0.6 ±0.2 | mA/g |
| Class II nonlinearity coefficient K2/K1 | ≤ ±10 | ≤ ±15 | ≤ ±20 | μg/g2 |
| 0g 4 hours short time stability | ≤10 | ≤20 | ≤20 | μg |
| 1g 4 hours short time stability | ≤10 | ≤20 | ≤20 | ppm |
| Bias drift Sigma K0 (1σ, one month) |
≤15 | ≤50 | ≤50 | μg |
| Repeatability of scale factor Sigma σK1/ K1 (1σ, one month) |
≤15 | ≤50 | ≤50 | ppm |
| Class II nonlinearity Coefficient repeatability σK2/K1 (1σ, one month) |
≤ ±20 | ≤ ±30 | ≤ ±30 | μg/g2 |
| Bias thermal coefficient | ≤ ±15 | ≤ ±50 | ≤ ±50 | μg/℃ |
| Scale factor thermal coefficient | ≤ ±15 | ≤ ±80 | ≤ ±50 | ppm/℃ |
| Noise (sample resistance 840Ω) | ≤5 | ≤8.4 | ≤8.4 | mv |
| Natural Frequency | 350 ~ 800 | Hz | ||
| Bandwidth | 800 ~ 2500 | Hz | ||
| Vibration | 10g | 20~2000Hz | ||
| Shock | 150g,4.5ms | 150g,4.5ms | 150g,0.5ms | 1/2sin |
| Temperature range (Operating) | -55 ~ +85 | ℃ | ||
| Temperature range (saved) | -60 ~ +120 | ℃ | ||
| Power | ±12 ~ ±15 | V | ||
| Consume current | ≤ ±20 | mA | ||
| Temp. sensor | Optional | |||
| Size | Ф18.2X23 | mm | ||
| Weight | ≤30 | g | ||
Production process
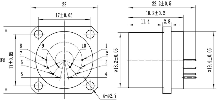
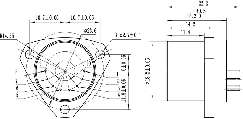
Product dimension

Outline 1 for square

Outline 2 for triangle

Outline 3 for inverted triangle
Application Scenarios



FAQ
Xml Privacy Policy Blog Sitemap
copyright @ Micro-Magic Inc All Rights Reserved.
Network Supported