AC-7 quartz flexible accelerometer series is a small, high temperature resistant seismic type accelerometer. The product has excellent repeatability, starting performance, high temperature seismic resistance and high reliability characteristics, which can be used for both static testing and dynamic testing, and is also a standard vibration sensor. The product adopts unique miniaturization, high temperature resistant seismic design, advanced packaging process and special circuit, the output current of the product is proportional to the input acceleration, the user can select the appropriate sampling resistance through calculation, to achieve high precision output. And according to the user requirements of the built-in temperature sensor, can be used to compensate for the partial value and scale factor, to reduce the impact of environmental temperature.
Part No, :
AC-7Order(MOQ) :
1Product Series and Parameters
| Parameters | AC-7A | AC-7B | AC-7C | Unit |
| Range | ± 60 | ± 60 | ± 60 | g |
| Threshold value | 10 | 10 | 10 | μg |
| Deviation K0/K1 | ≤ ±10 | ≤ ±10 | ≤ ±10 | mg |
| Scale factor K1 | 1.2 ±0.2 | 1.2 ±0.25 | 1.2 ±0.25 | mA/g |
| Class II nonlinearity coefficient K2 | ≤ ±20 | ≤ ±20 | ≤ ±20 | μg /g2 |
| 0g 4 hours short time stability | ≤20 | μg | ||
| 1g 4 hours short time stability | ≤20 | ppm | ||
| Deviation value comprehensive repeatability σK0 (1σ, one month) | ≤ 40 | ≤ 40 | ≤ 40 | μg |
| Repeatability of scale factor σK1/K1 (1σ, one month) |
≤ 50 | ≤ 50 | ≤ 50 | ppm |
| Nonlinearity coefficient comprehensive repeatability K2/K1 (1σ, one month) |
≤ ±20 | ≤ ±20 | ≤ ±20 | μg /g2 |
| Deviation value temperature coefficient | ≤ ±30 | ≤ ±30 | ≤ ±30 | μg /℃ |
| Scale factor temperature coefficient | ≤ ±50 | ≤ ±50 | ≤ ±50 | ppm /℃ |
| Noise (sample resistance 840Ω) | ≤ 4 | ≤ 5 | ≤ 5 | mv |
| Natural frequency | 350 ~ 800 | Hz | ||
| Bandwidth | 800 ~ 2500 | ≥ 350 | ≥ 350 | Hz |
| Vibration | 5g | 20~2000Hz | ||
| Shock | 150g (0.5ms) | 150g (5ms) | 150g (5ms) | 1/2sin |
| Temperature range (Operating) | -40 ~ +85 | ℃ | ||
| Temperature range (saved) | -60 ~ +120 | ℃ | ||
| Power supply | ±12 ~ ±15 | ±15 (±0.5) | ±12 ~ ±18 | V |
| Consume current (under static condition) | ≤ ±20 | ≤ ±100 | ≤ ±16 | mA |
| Size | Ф18.2X23 | Ф18.2X23 | Ф18.2X20.6 | mm |
| Weight | ≤30 | g | ||
Production process
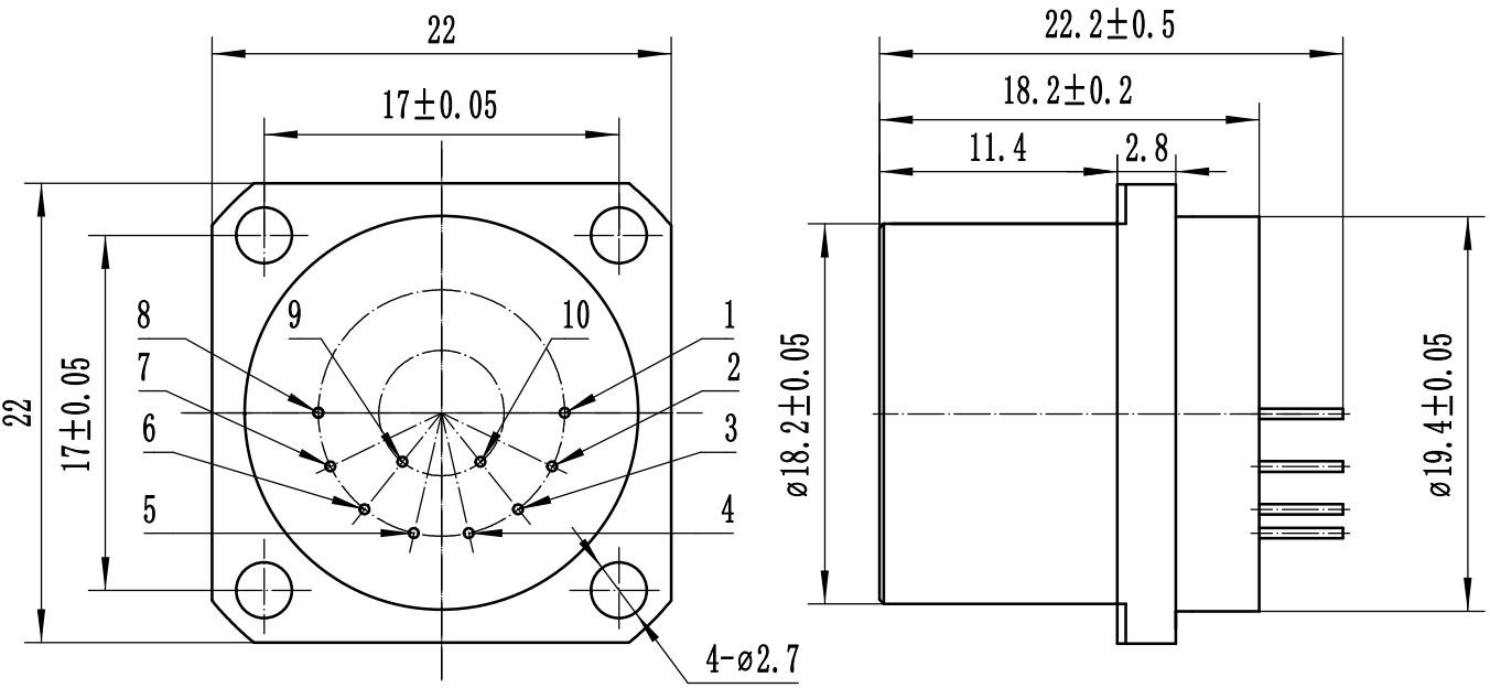
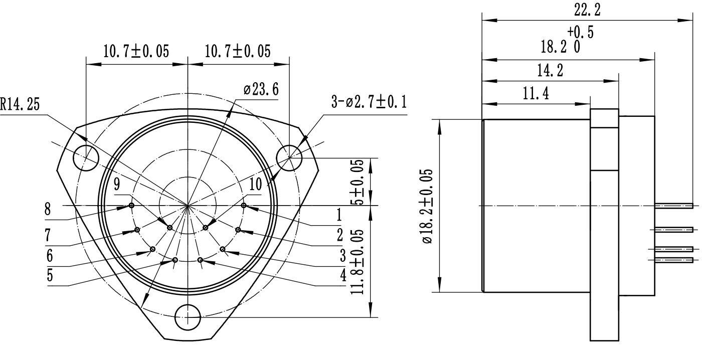
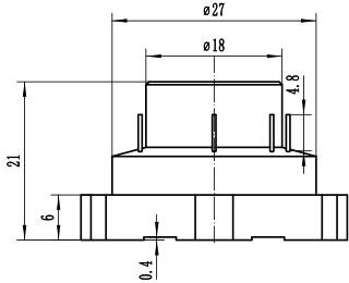
Product dimension
AC-7A and AC-7B

Outline 1 for square

Outline 2 for triangle

Outline 3 for inverted triangle

Outline for square
Application Scenarios



FAQ
Xml Privacy Policy Blog Sitemap
copyright @ Micro-Magic Inc All Rights Reserved.
Network Supported