AC-6 quartz flexible accelerometer series is a small, high temperature resistant seismic type accelerometer. The product has excellent repeatability, starting performance, high temperature seismic resistance and high reliability characteristics, which can be used for both static testing and dynamic testing, and is also a standard vibration sensor. The product adopts unique miniaturization, high temperature resistant seismic design, advanced packaging process and special circuit, the output current of the product is proportional to the input acceleration, the user can select the appropriate sampling resistance through calculation, to achieve high precision output. And according to the user requirements of the built-in temperature sensor, can be used to compensate for the partial value and scale factor, to reduce the impact of environmental temperature. Since the launch of this product was launched in 2012, the number of deliveries has reached thousands. After years of application, it has become a mature product.
Part No, :
AC-6Order(MOQ) :
1Product Series and Parameters
| Parameters | AC-6A | AC-6B | Unit |
| Range | ±30 | ±30 | g |
| Threshold /Resolution | 30 | 30 | μg |
| Bias K0/K1 | ≤ ±20 | ≤ ±20 | mg |
| Scale factor K1 | 1.9 ~ 2.1 | 1.9 ~ 2.1 | mA/g |
| Class II nonlinearity coefficient K2/K1 | ≤ ±20 | ≤ ±50 | μg /g2 |
| Bias drift Sigma K0 (1σ, one month) |
≤150 | ≤220 | μg |
| Stability of scale factor Sigma σK1/K1 (1σ, one month) |
≤150 | ≤220 | ppm |
| Class II nonlinearity Coefficient stability σK2/K1 (1σ, one month) |
≤ ±40 | ≤ ±50 | μg/g2 |
| Bias thermal coefficient | ≤ ±80 | ≤ ±150 | μg/℃ |
| Scale factor thermal coefficient | ≤100 | ≤200 | ppm/℃ |
| Noise (sample resistance 840Ω) | ≤8 | ≤8.4 | mv |
| Natural frequency | 350 ~ 800 | Hz | |
| Bandwidth | 800 ~ 2500 | Hz | |
| Vibration (@20~2000Hz) | 25 | G | |
| Shock | 1000g | 0.5ms, 1/2sin | |
| Temperature range (Operating) | -40 ~ +150 | ℃ | |
| Temperature range (Saved) | -60 ~ +180 | ℃ | |
| Power | ±12 ~ ±15 | V | |
| Consume current | ±20 | mA | |
| Size | Ф18.2X16 | Mm | |
| Weight | 25 | G | |
Production process
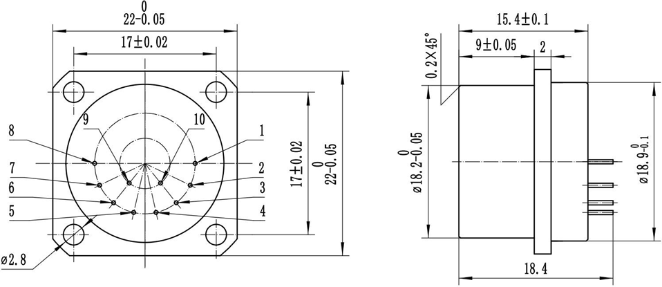
Product dimension

AC-6A outline drawing (round)

AC-6B outline drawing (square)
Application Scenarios



FAQ
Xml Privacy Policy Blog Sitemap
copyright @ Micro-Magic Inc All Rights Reserved.
Network Supported