AC-4 quartz flexible accelerometer series is a high temperature and anti-vibration accelerometer, the product has excellent repeatability, starting performance, high temperature and high reliability characteristics, it can be used for static testing and dynamic testing, it is also a standard vibration sensor. Products adopt unique high temperature design, packaging process and special circuit, product output current is proportional to the measured acceleration, the user can calculate the appropriate sampling resistance, achieve high precision output, and according to the user demand built-in temperature sensor, used for the partial value and scale factor compensation, reduce the influence of environmental temperature. QA 650, T185, T160, JAE series products can be replaced in situ, but we adopt double torque structure, it is different from other company products.
Part No, :
AC-4Order(MOQ) :
1Product Series and Parameters
| Parameters | AC-4A | AC-4B | AC-4C | Unit |
| Range | ±30 | g | ||
| Bias K0/K1 | <10 | <15 | <15 | mg |
| One month composite repeatability | <50 | <200 | <200 | μg |
| Temperature sensitivity | <50 | <100 | <100 | μg/℃ |
| Scale factor | 1.1~1.3 | 1.1~1.3 | 1.1~1.3 | mA/g |
| One month composite repeatability | <80 | <150 | <150 | ppm |
| Temperature sensitivity | <100 | <200 | <200 | ppm |
| Axis misalignment | <1500 | <1500 | <1500 | μrad |
| Vibration rectification (@50~500Hz) | <30 | <100 | <100 | μg/g2rms |
| Intrinsic noise (@0~10000Hz) | <3000 | <3000 | <3000 | μg/g2rms |
| Temperature range (Operating) | -55~96 | -55~155 | -55~180 | ℃ |
| Shock | 500g | 1000g | 1000g | 0.5ms |
| Vibration peak sin (@30~500Hz) | 25 | g | ||
| Threshold /Resolution | <10 | μg | ||
| Bandwidth | >300 | Hz | ||
| Quiescent current per supply | <20 | mA | ||
| Quiescent power (@±15VDC) | <480 | mW | ||
| Input Voltage | ±13~±18 | V | ||
| Weight | <55 | g | ||
| Diameter below mounting surface | Ф25 | mm | ||
| Height-bottom to mounting surface | <21.5 | mm | ||
| Case material | 300 series stainless steel | |||
Production process
Product dimension
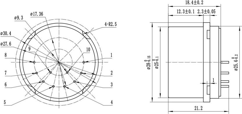
1) AC-4A: Outside drawing

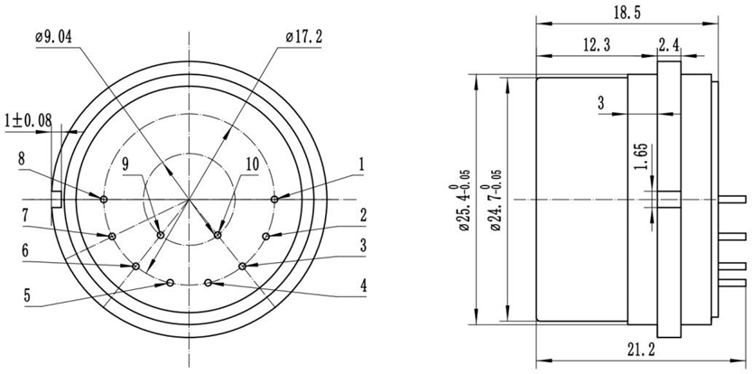
1) AC-4B and AC-4C: Outside drawing (Option I)

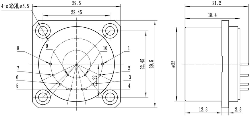
AC-4B and AC-4C: Outside drawing (Option II: type 1)

AC-4B and AC-4C: Outside drawing (Option II: type 2)

AC-4B and AC-4C: Outside drawing (Option III)

AC-4B and AC-4C: Outside drawing (Option V)

Application Scenarios



FAQ
Xml Privacy Policy Blog Sitemap
copyright @ Micro-Magic Inc All Rights Reserved.
Network Supported