I5000 内置高精度 GNSS 模块和出厂校准的 IMU,能够持续高频地提供高精度的位置、速度和姿态信息。即使在城市峡谷、阴影区域和隧道等复杂环境下,I5000 也能凭借多源卡尔曼滤波等多种算法,保持可用性和自评估可靠性。
产品特性
⚪ 支持北斗、GPS、GLONASS、伽利略和准天顶卫星系统全系统多频点,并支持北斗三号卫星系统
⚪ IMU已在工厂完成校准
⚪ 自适应静态/动态对齐
⚪ 可配置的通用车辆运动信息(例如 ODM)接口
⚪ 自适应补偿系统安装误差和 ODM 比例误差
⚪ GNSS 信号中断时,水平定位精度可达 0.2%×D 以内①
应用
⚪ 自动驾驶
⚪ 平台稳定性和控制
⚪ 自动化机械
⚪ 机器人控制
零件编号 :
I5000订单(最小起订量) :
1产品系列及参数
| 参数 | 典型的 | 描述 | |
| 开始时间 | 集成导航的对准时间 | <60年代 | 开阔天空中的双天线 |
| 包括冷启动时间 30 秒,RTK 初始化时间 5 秒 | |||
| 卫星信号跟踪 | 频率点 | 北斗B1I/B2I/B3I,GPS L1/L2/L5 | |
| 格洛纳斯 L1/L2,伽利略 E1//E5a/E5b | |||
| 航向精度 | 全球导航卫星系统有效 | 0.05° | 双天线,基线长2米;单天线需要动态对准 |
| 保持准确性 | 0.1°C/分钟 | GNSS故障 | |
| 姿态精度 | 全球导航卫星系统有效 | 0.08° | RTK/单点定位,双频 |
| 保持准确性 | 0.1° | GNSS中断5分钟,带ODM | |
| 水平定位精度 | 全球导航卫星系统有效 | 1.2米 | 单点双频 |
| 1厘米 + 1ppm | RTK | ||
| 保持准确性 | 0.2% *D | 带里程表,时速 60 公里/小时,120 秒内 | |
| 水平速度精度 | 全球导航卫星系统有效 | 0.03米/秒 | |
| 时间服务准确性 | 全球导航卫星系统有效 | 20ns | |
| 陀螺仪 | 范围 | ±320°/秒 | |
| 偏差不稳定性 | 0.8°C/小时 | 艾伦方差 | |
| 尺度因子非线性 | 100ppm | ||
| 加速度计 | 范围 | ±18克 | |
| 偏差不稳定性 | 20微克 | 艾伦方差 | |
| 尺度因子非线性 | 200ppm | ±1克 | |
| 输出频率 | GNSS结果 | 10赫兹 | 位置/速度/航向/原始数据信息 |
| IMU原始数据 | 200赫兹 | ||
| INS结果 | 200赫兹 | ||
| 电气特性 | 通信接口 | RS-422*1 | |
| RS-232*2 | 1个用于惯性导航系统(INS),1个用于全球导航卫星系统(GNSS)。 | ||
| PPS*1 | |||
| 事件*1 | |||
| CAN*2 | |||
| 电压 | 9~36VDC | ||
| 功耗 | ≤ 2W | ||
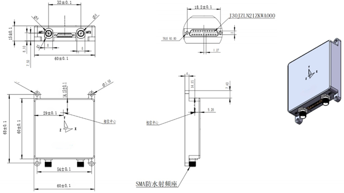
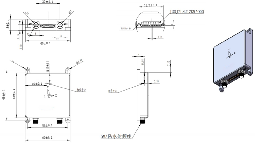
| 机械特性 | 尺寸 | 60*60*15 毫米 | 包括连接器的尺寸 <75*60*15毫米 |
| 重量 | ≤ 90 克 | ||
| 环境特征 | 工作温度 | -40℃~+75℃ | |
| 储存温度 | -55℃~+85℃ | ||
| 振动 | 6.06克(20~2000赫兹) | ||
| 令人震惊 | 40克/11毫秒 | ||
| 笔记: | |||
| ① 不使用统计方法的指标是均方根统计量。 | |||
生产过程
产品尺寸

应用场景



常问问题