U16488 Mems High Precision Digital Output Imu Sensor 10-Axis Tactical Inertial Module for Navigation & Autonomous Systems
U16488-D MEMS is a 10-axis inertial measurement unit with small size and high accuracy. Suitable for precise navigation, control, and dynamic measurement of carriers. The U16488-D series inertial measurement module integrates MEMS gyroscopes, MEMS accelerometers, MEMS magnetometers, and MEMS barometers within its structure. The gyroscope, accelerometer, MEMS magnetometer, and MEMS barometer selected by the system represent the leading level of MEMS process inertial devices, with high reliability and strong robustness. They can accurately measure the angular velocity, acceleration information, magnetic information, and pressure (altitude) information of moving carriers in harsh environments.
Part No, :
U16488Order(MOQ) :
1Product Series and Parameters
| Parameter | Testing Conditions | Min | Typ | Max | Unit | |
| Gyroscope | Range | -500 | 500 | °/s | ||
| Full-temperature zero bias | 50 | 100 | °/h | |||
| Zero bias stability | 10s smoothing | 3 | 5 | °/h | ||
| Zero bias instability | Allan variance | 0.8 | 1 | °/h | ||
| Zero bias repeatability | Constant temperature | 1.5 | 3 | °/h | ||
| Angle random walk | 0.08 | 0.1 | °/√h | |||
| Scale factor nonlinearity | 25 | 100 | ppm | |||
| Cross-coupling | 0.001 | Rad | ||||
| Bandwidth | 200 | Hz | ||||
| Accelerometer | Range | -16 | 16 | g | ||
| Full-temperature zero bias | 0.5 | 3 | mg | |||
| Zero bias stability | 10s smoothing | 0.02 | 0.05 | mg | ||
| Zero bias instability | Allan variance | 0.01 | 0.02 | mg | ||
| Zero bias repeatability | Constant temperature | 0.02 | 0.05 | mg | ||
| Velocity random walk | 0.01 | 0.03 | m/s/√h | |||
| Scale factor nonlinearity | ±1g | 100 | 200 | ppm | ||
| Cross-coupling | 0.001 | Rad | ||||
| Bandwidth | 200 | Hz | ||||
| Magnetometer | Range | -8 | 8 | Gs | ||
| Resolution | 200 | μGs | ||||
| Noise density | 50 | μGs | ||||
| Bandwidth | 200 | Hz | ||||
| Barometer | Range | 300 | 1100 | mbar | ||
| Total Error | 4.5 | mbar | ||||
| Absolute error | 1.5 | mbar | ||||
| Nonlinearity | 0.1 | %FS | ||||
| Resolution | 0.1 | mbar | ||||
| Communication Interface | SPI | 10 | MHz | |||
| UART | 9.6 | 460.8 | 921.6 | kbps | ||
| Electrical Characteristics | Working Voltage | 3 | 3.3 | 3.6 | V | |
| Power consumption | 0.5 | W | ||||
| Ripple | peak-to-peak | 100 | mV | |||
| Startup time | 2 | s | ||||
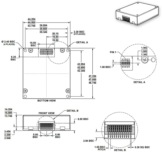
| Structural Characteristics | Size | 47.0 × 44.0 ×14.0 | mm | |||
| Weight | 50 | g | ||||
| Operating Environment | Operating temperature | -40 | 80 | ℃ | ||
| Storage temperature | -55 | 85 | ℃ | |||
| Vibration | 10-2000Hz, 6.06g | |||||
| Shock | 30g, 11ms | |||||
| Overload | Half sine wave | 1000g | ||||
| Reliability | MTBF | 20000 | h | |||
| Continuous working hours | 120 | h | ||||
| Note: Typical values represent the 1σ statistical values of multiple sets of product testing indicators. | ||||||
Production process
Product dimension

Application Scenarios
Across -40 °C to +80 °C, U16488-D’s full-temperature calibration/compensation enables single-axis rotational excitation to precisely measure and calibrate that axis’s gyroscope zero bias, temperature drift, and scale factor.



FAQ
Xml Privacy Policy Blog Sitemap
copyright @ Micro-Magic Inc All Rights Reserved.
Network Supported