The U16575 is a six-axis MEMS IMU with digital output SPI/UART, which can compatible with ADIS16575.
The U16575 MEMS Inertial Measurement Module is a highly reliable and cost-effective six-axis MEMS inertial measurement module, widely applicable to navigation, control, and measurement fields represented by vehicles, ships, and drones. The U16575 series of inertial measurement modules integrates high-performance MEMS gyroscopes and MEMS accelerometers within an independent structure. The gyroscopes and accelerometers selected for the system represent the leading level of MEMS technology inertial devices. The three-axis MEMS gyroscopes sense the angular motion of the carrier, while the three-axis MEMS accelerometers sense the linear acceleration of the carrier. The system internally compensates for zero position, scale factor, non-orthogonal error, and acceleration-related terms across all temperature parameters, maintaining high measurement accuracy over a long period of time.
The U16575 series inertial measurement module can be configured with different hardware and software according to user needs.
Part No, :
U16575Order(MOQ) :
1Product Series and Parameters
| Parameter | Indicators | Unit |
| Gyroscope | ||
| Measuring range | ±400 | °/s |
| Full temperature zero bias | ≤80 | °/h, 3σ |
| Zero-bias stability | ≤5 | °/h, 10s |
| Zero bias instability | ≤1 | °/h, Allan, typ |
| Zero bias repeatability | ≤5 | °/h |
| Angle random walk | ≤0.3 | °/√h |
| Scale factor nonlinearity | ≤150 | ppm |
| Cross coupling | ≤0.001 | rad |
| Bandwidth | ≥200Hz | Hz |
| Accelerometer | ||
| Measuring range | ±10 | g |
| Full temperature zero bias | ≤5 | mg, 3σ |
| Zero bias stability | ≤300 | μg, 10s |
| Zero bias instability | ≤30 | μg, Allan, typ |
| Zero bias repeatability | ≤50 | Ug |
| Speed random walk | ≤0.03 | m/s/√h |
| Scale factor nonlinearity | ≤200 | ppm, ±1g |
| Cross-coupling | ≤0.001 | rad |
| Bandwidth | ≥200Hz | Hz |
| Physical properties | ||
| Power supply | 3.3 | V |
| Steady-state power | ≤1 | W |
| Startup time | ≤2 | s |
| Communication interface | One way is SPI, the other is UART | |
| Update rate | 1000 | Hz, max |
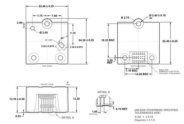
| Dimensions | 22.4*22.3*13.7 | mm |
| Weight | 12±2 | g |
| Working environment | ||
| Operating temperature | -40~80 | ℃ |
| Storage temperature | -55~85 | ℃ |
| Vibration | 20~2000HZ,6.06 | g, RMS |
| Impact | 1000/1ms | g |
Production process
Product dimension

Application Scenarios



FAQ
Xml Privacy Policy Blog Sitemap
copyright @ Micro-Magic Inc All Rights Reserved.
Network Supported