U7000系列高精度 MEMS-IMU 这是一款高可靠性、高性价比的六轴MEMS惯性传感器组合,可广泛应用于以惯性导航和姿态稳定性为代表的导航、控制和测量领域。该系列MEMS惯性测量单元可根据用户需求配置不同的软硬件。对于某些惯性导航应用,可使用高精度或高动态MEMS陀螺仪替代普通陀螺仪,以最大程度地满足不同用户的需求。
零件编号 :
U7000订单(最小起订量) :
1产品系列及参数
| 范围 | U7000-A | U7000-B | 单元 |
| 陀螺仪 | |||
| 测量范围 | ±400 | ±400 | 度/秒 |
| 全温零偏压稳定性(10秒,1σ) | ≤10 | ≤2 | 摄氏度/小时 |
| 零偏差稳定性(10秒,1σ) | ≤1 | ≤0.3 | 摄氏度/小时 |
| 零偏差稳定性(Allan) | ≤0.1 | ≤0.07 | 摄氏度/小时 |
| 零偏差重复性(1σ) | ≤1 | ≤0.3 | 摄氏度/小时 |
| 角度随机游 | ≤0.05 | ≤0.02 | °/√h |
| 尺度因子非线性 | ≤100 | 每百万 | |
| 带宽(可调) | 100 | Hz | |
| 加速度计 | |||
| 测量范围 | ±30 | g | |
| 全温零偏压稳定性(10秒,1σ) | ≤1 | mg | |
| 零偏差稳定性(10秒,1σ) | ≤100 | μg | |
| 零偏差稳定性(Allan) | ≤15 | μg | |
| 零偏差重复性(1σ) | ≤100 | μg | |
| 角度随机游 | ≤10 | 毫米/秒/√h | |
| 尺度因子非线性 | ≤500 | 每百万 | |
| 带宽(可调) | 100 | Hz | |
| 电气/机械接口 | |||
| 电源 | 5~12 | V | |
| 功耗 | 1.5 | W | |
| 开始时间 | 2 | s | |
| 通信接口 | RS422/RS232 | ||
| 数据更新率 | 200(可配置,最高 1kHz) | Hz | |
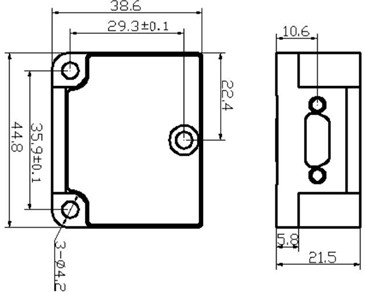
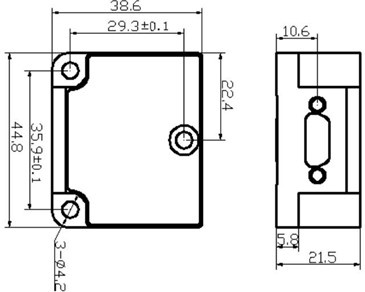
| 方面 | 44.8 x 38.6 x 21.5 | mm | |
| 重量 | 55±5 | g | |
| 环境 | |||
| 工作温度 | -40 ~ +80 | ℃ | |
| 储存温度 | -55 ~ +85 | ℃ | |
| 振动 | 6.06 | g,均方根 | |
| 震惊 | 1000克/1毫秒(通电状态) | g | |
生产过程
产品尺寸

应用场景



常问问题