U6488系列惯性测量单元(IMU)内置三轴陀螺仪和三轴加速度计,用于测量载体的三轴角速率和三轴加速度。经误差补偿(包括温度补偿、安装偏差补偿、非线性补偿等)后,陀螺仪和加速度计的数据通过串口按照约定的通信协议输出。它们可用于载体的精确导航、控制和动态测量。本产品采用高精度MEMS惯性器件,具有体积小、过载能力强、可靠性高、硬度高等特点,即使在恶劣环境下也能精确测量运动载体的角速率和加速度信息。
U6488系列包含四款型号:U6488-B、U6488-C、U6488-D和U6488-E。这四款型号外观和接口性能一致。除U6488-E外,其余型号均内置三轴磁力计和数字气压计。
零件编号 :
U6488订单(最小起订量) :
1Product Series and Parameters
| Parameter | U6488-A | U6488-B | Unit | |
| Gyroscopes | ||||
| Dynamic Range | ±450 | ±450 | °/s | |
| Bias Stability | Allan variance | 1 | 0.8 | °/h |
| 10s average (-40~+85°C, fixed temp.) | 4 | 5 | °/h | |
| Radom Walk | 0.1 | 0.065 | º/√h | |
| Bias Repetition | 4 | 5 | °/h | |
| Bais | Bias change at full temp. range1 | ±0.04 | ±0.05 | °/s |
| Bias change in vibration conditions2 | 6 | 6 | °/h | |
| Scale Factor Nonlinearity | 100 | 100 | ppm | |
| Resolution | 3.052*10-7 | 3.052*10-7 | º/s/LSB | |
| Bandwidth | 200 | 260 | Hz | |
| Accelerometer | ||||
| Dynamic Range | ±16 | ±20 | g | |
| Bias Stability | Allan variance | 0.03 | 0.02 | mg |
| 10s average (-40~+85°C, fixed temp.) | 0.06 | 0.05 | mg | |
| Radom Walk | 0.01 | 0.05 | m/s/√h | |
| Bias Repetition | 0.06 | 0.08 | mg | |
| Scale factor nonlinearity | 100 | 100 | ppm | |
| Resolution | 1.221*10-8 | 1.221*10-8 | g/LSB | |
| Bandwidth | 200 | 260 | Hz | |
| Magnetometer | ||||
| Dynamic Range | ±2 | ±8 | Gauss | |
| Resolution | 120 | 200 | uGauss | |
| Noise RMS | 10Hz | 50 | 50 | uGauss |
| Bandwidth | 200 | Hz | ||
| Barometer | ||||
| Pressure Range | 450 | 1100 | mbar | |
| Resolution | 0.1 | 0.1 | mbar | |
| Absolute Accuracy | 1.5 | 1.5 | mbar | |
| Communication Interface | ||||
| 1 Channel SPI | Baud rate | 25 | 25 | MHz |
| 1 Channel UART | Baud rate | 230.4 | 230.4 | Kbps |
| Sampling Rate | SPI | 2000 | 2000 | Hz |
| UART | 200 | 200 | Hz | |
| Electronic Characteristics | ||||
| Voltage | 3.3±0.3 | V | ||
| Power Consumption | 1.5 | W | ||
| Ripple Wave | P-P | 100 | mV | |
| Physical Characteristics | ||||
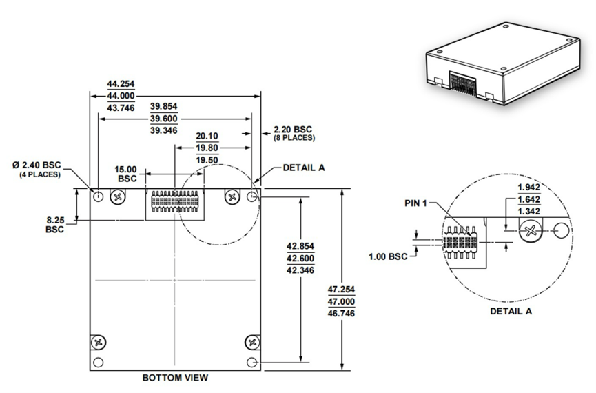
| Dimension | 47*44*14 | mm | ||
| Weight | 50 | grams | ||
Production process
Product dimension


Application Scenarios



FAQ