The U5000 MEMS inertial measurement module is a highly reliable and cost-effective six-axis MEMS inertial measurement module, widely applicable to navigation, control, and measurement fields represented by vehicles, ships, and drones. The U5000 series of inertial measurement modules integrates high-performance MEMS gyroscopes and MEMS accelerometers within an independent structure. The gyroscopes and accelerometers selected for the system represent the leading level of MEMS technology inertial devices. The three-axis MEMS gyroscopes sense the angular motion of the carrier, while the three-axis MEMS accelerometers sense the linear acceleration of the carrier. The system internally compensates for zero position, scale factor, non-orthogonal error, and acceleration-related terms across all temperature parameters, maintaining high measurement accuracy over an extended period.
The U5000 series inertial measurement module can be configured with different hardware and software according to user needs.
Part No, :
U5000Order(MOQ) :
1Product Series and Parameters
| Parameters | Technical indicators |
| Gyroscope | |
| Measuring range(°/s) | ±500 |
| Full temperature zero bias(°/h,3σ) | ≤30 |
| Zero bias stability(°/h,10s) | ≤2 |
| Zero bias instability(°/h,allan,typ) | ≤0.1 |
| Zero bias repeatability(°/h) | ≤1 |
| Angle random walk(°/√h) | ≤0.1 |
| Scale factor nonlinearity(ppm) | ≤100 |
| Cross-coupling(rad) | ≤0.001 |
| Bandwidth(Hz) | ≥200Hz |
| Accelerometer | |
| Measuring range(g) | ±30 |
| Full temperature zero bias(mg,3σ) | ≤2 |
| Zero bias stability(μg,10s) | ≤50 |
| Zero bias instability(μg,allan,typ) | ≤30 |
| Zero bias repeatability(ug) | ≤50 |
| Velocity Random Walk(m/s/√h) | ≤0.03 |
| Scale factor nonlinearity(ppm,±1g) | ≤100 |
| Cross-coupling(rad) | ≤0.001 |
| Bandwidth(Hz) | ≥200Hz |
| Physical Characteristics | |
| Power supply(V) | 5~12 |
| Steady-state power(W) | ≤2 |
| Startup time(s) | ≤2 |
| Data update rate(Hz,max) | 2000 |
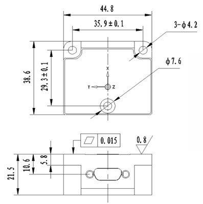
| Dimensions(mm×mm×mm) | 44.8×38.6×21.5 |
| Weight (g) | 52±5 |
| Operating Environment | |
| Operating temperature(℃) | -40~80 |
| Storage temperature(℃) | -55~85 |
| Vibration(g,RMS) | 20~2000HZ,6.06 |
| Shock(g) | 500/1ms |
Production process
Product dimension


Application Scenarios



FAQ
Xml Privacy Policy Blog Sitemap
copyright @ Micro-Magic Inc All Rights Reserved.
Network Supported